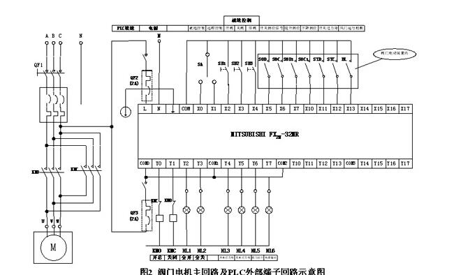
電動閘閥是一種廣泛應用于工業系統中的電動控制閥門。在使用電動閘閥時,經常會遇到接線問題,又因此影響使用。本文將為讀者介紹關于電動閘閥六根線怎么接線的詳細步驟。首先,需要準備好必要的工具和材料,包括電動閘閥、接線端子、電纜、扎帶、電纜剪、線鉗、絕緣剝線鉗等。確保在開始接線前,電源已關閉并斷電。電動閘閥有六根線,分別為:電源正極(黃色)、電源負極(藍色)、控制信號正極(紅色)、控制信號負極(黑色)、電動閘閥行程開關(白色)、電動閘閥位置反饋開關(綠色)。正確接線可確保電動閘閥的順利使用。

接接線就明: 1、2、3為220V電源輸入端,其中1為白線是公共端,一般接零線,2為開控制輸入,3為關控制輸入,藍線:電動閥關電源、紅線:電動閥開電源(2,3通過一個開關再接入220V火線,不可同時得電,最好用轉換開關,每次只能一個得電。)4、5、6為閥門位置反饋開關,()綠線:信號反饋共用端)其中5接反饋公共端,一般為(反饋電源任意一根即可),4在閥門開到位時接通5,給出一個閥門開到位的信號;6在閥門關到位的時候接通5,給出一個閥門關到位的信號。另外此反饋電動執行器不在電源輸出,要在反饋回路接上一個電源,220V/DC24V。黑線:閥門開時輸出信號電源(220V),黃線:閥門關時輸出信號電源(220V)。
單線控制接線方法: 這種接線方法使用一根信號線來傳遞控制信號和電源供應。其原理是通過控制信號的正負極性來控制電動閥門的開關狀態。一般情況下,正極性控制電動閥門打開,負極性控制電動閥門關閉。通過控制信號的正負極性的改變可以實現電動閥門的開關。這種接線方法簡單,適用于控制信號幅值小的場景。 雙線控制接線方法: 這種接線方法使用兩根信號線來傳遞控制信號和電源供應。其中一根信號線用于傳遞控制信號,另一根信號線用于傳遞電源供應。通過控制信號的高低電平...

通過下面不同的接線圖:
1、有源開關式,普通開關型帶有源燈指示接線圖
2、無源開關式,開關型無源觸點型帶反饋接線圖
3、開度式電位計型,開關型帶開度式接線圖
4、智能調節式,輸入輸出4-20mA,智能調節型接線圖
5、交流AC380V,帶無源觸點反饋,380V電源接線圖
電動閥門智能手操器特點
1.提供現場控制可能。
2.指示燈指示開閥、關閥、閥全開、閥全關、事故、保護、現場、遠控等狀者滲銀態。
3.機殼采用標準的儀表機箱,體積小重量輕,便于安裝在控制屏上。
4. 控制電首宴路采用直流低壓控制,調試、操作安全,控制可靠,開度喊耐指示準確直觀。
5.電動閥門出力矩(事故)或電機過電流、過熱(保護)時報警顯示,便于及時排除故障(取決于電動裝置的相關功能,不同生產廠家的閥門電動裝置,可能不含電動機過熱保護)。

電動閥簡單地說就是用電動執行器控制閥門,從而實現閥門的開和關。其可分為上下兩部分,上半部分為電動執行器,下半部分為閥門。也可叫空調閥。原理:電動閥通常由電動執行機構和閥門連接起來,經過安裝調試后成為電動閥。電動閥使用電能作為動力來接通電動執行機構驅動閥門,實現閥門的開關、調節動作。從而達到對管道介質的開關或是調節目的。電磁閥是電動閥的一個種類;是利用電磁線圈產生的磁場來拉動閥芯,從而改變閥體的通斷,線圈斷電,閥芯就依靠彈簧的壓力退回。
接線方式:三線制電動閥有F/R/N三條線,F代表正向動作(或者open動作)控制線,R代表反向動作(或者close動作)控制線,N代表地線。